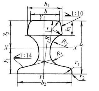
大型起重機鋼軌GB/T 11264-1989
|
型號 |
理論重量(kg/m) |
截面尺寸(mm) |
截面面積(cm^2) |
重心距離 |
慣性矩 |
截面系數 |
||||||||||||||||
|
b |
b1 |
b2 |
s |
h |
h1 |
h2 |
R1 |
R2 |
r |
R |
r1 |
r2 |
y1 (cm) |
y2 (cm) |
Ix\cm^4 |
Iy\cm^4 |
W1= Ix/y1\cm^3 |
W2= Ix/y2\cm^3 |
W3= Iy/(b2/2)\cm^3 |
|||
|
— |
— |
ZGXB |
ZGXB1 |
ZGXB2 |
ZGXS |
ZGXH |
ZGXH1 |
ZGXH2 |
ZGDR1 |
ZGDR2 |
ZGXR |
— |
— |
— |
— |
— |
— |
— |
— |
— |
— |
— |
|
QU70 |
52.8 |
70 |
76.5 |
120 |
23 |
120 |
32.5 |
24 |
23 |
38 |
6 |
400 |
6 |
2 |
67.3 |
5.93 |
6.07 |
1081.99 |
327.16 |
182.46 |
178.12 |
54.53 |
|
QU80 |
63.69 |
80 |
87 |
130 |
32 |
130 |
35 |
26 |
26 |
44 |
8 |
400 |
6 |
2 |
81.13 |
6.43 |
6.57 |
1547.4 |
482.3 |
240.65 |
235.52 |
74.21 |
|
QU100 |
88.96 |
100 |
108 |
150 |
38 |
150 |
40 |
30 |
30 |
50 |
8 |
450 |
8 |
2 |
113.32 |
7.6 |
7.4 |
2864.73 |
940.98 |
376.94 |
387.12 |
125.45 |
|
QU120 |
118.1 |
120 |
129 |
170 |
44 |
170 |
45 |
35 |
34 |
56 |
8 |
500 |
8 |
2 |
150.44 |
8.43 |
8.57 |
4923.79 |
1694.83 |
584.08 |
574.54 |
199.39 |
注:
1.鋼軌的標準長度為:9,9.5,10,10.5,11,11.5,12,12.5m。
2.目前生產:QU80,QU100及QU120型,材料為U71Mn,抗拉強度≥885N/mm^2。


